
MAG-20
The Corode MAG pumps offer a safe way of pumping chemical and corrosive liquids through a closed pump housing without shaft seal. The pump housing is constructed entirely from PP of PVDF. As a result the medium being pumped does not come into contact with metal, meaning that the pump head is resistant to corrosion.
The Corode MAG pumps are fitted as standard with a 3Ph 230-400V motor. All our MAG-20 pumps are fitted with a IE3 motor.
Models
The MAG-20 pumps are available with a PP or PVDF pump head. The shaft and the bearings are ceramic.
- - PP pump head: maxium liquid temperature is 0-60ºC.
- - PVDF pump head: maxium liquid temperature is 0-90ºC.
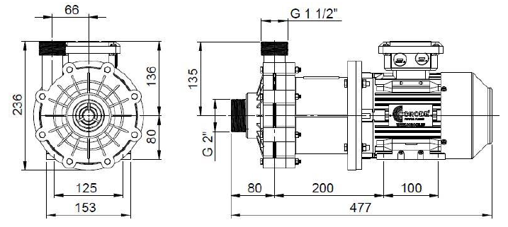
Technical Specs
Material available:
O-ring:
Max. flow:
Max. head:
Max. temperature:
Max. viscosity:
Motor 1:
PP or PVDF
EPDM or Viton
20m³/h
15m
PP 60ºC; PVDF 90ºC
200 cSt
1.1kW, 230/400V, 4.17/2.4Amp, 3Ph, 50Hz, IP55
Request a quote
Feel free to inquire about any of our services or, if you wish to receive a quote, please use the contact form.
Related products

Specific modifications
If you would like specific modifications with regards the motors, connections or otherwise, please contact our sales team. We will make sure you will receive a suitable offer.





