
MAG-30
De Corode MAG pompen bieden een veilige manier voor het verpompen van chemische en corrosieve vloeistoffen door middel van een gesloten pomphuis zonder asafdichting. Het pomphuis is volledig vervaardigd uit PP of PVDF. Hierdoor komt het te verpompen medium niet in contact met metaal en is de pompkop corrosiebestendig.
De Corode MAG pompen zijn standaard uitgerust met een 3Ph 230-400V motor. Al onze MAG-30 pompen zijn uitgerust met een IE3 motor.
Modellen
De MAG-30 pompen zijn verkrijgbaar met een PP of PVDF pompkop. De as en de lagers zijn keramisch.
- - PP pompkop: maximale vloeistoftemperatuur is 0-60ºC.
- - PVDF pompkop: maximale vloeistoftemperatuur is 0-90ºC.
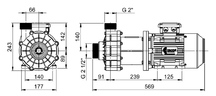
Technische specificaties
Beschikbaar materiaal:
O-ring:
Max. debiet:
Max. hoofd:
Max. temperatuur:
Max. viscositeit:
Motor 1:
PP of PVDF
EPDM of Viton
34,5m³/h
24m
PP 60ºC; PVDF 90ºC
200 cSt
2,2kW, 230/400V, 7,75/4,45Amp, 3Ph, 50Hz, IP55
Een offerte aanvragen
Voel je vrij om te informeren naar een van onze diensten of, als je een offerte wilt ontvangen, gebruik dan het contactformulier.
Verwante producten

Specifieke wijzigingen
Als je specifieke aanpassingen wilt met betrekking tot de motoren, aansluitingen of anderszins, neem dan contact op met ons verkoopteam. Wij zorgen ervoor dat je een passend aanbod krijgt.





